CY10濺射膜壓力傳感器芯片
- 關 鍵 字:???濺射膜壓力,壓力芯體,CY10
- 生產廠家:???澤天傳感
- 產品型號:???CY10
- 數據手冊: CY10濺射膜壓力傳感器.pdf
- 產品特點:???可靠性高,輸入阻抗高、功耗小、響應速度快,無蠕變、不老化
- 典型應用:???軍事工業,石化能源,高溫燃油與發動機制造,工程機械與液壓系統,科研與試驗
CY10濺射薄膜壓力傳感器采用先進的離束濺射工藝,在彈性膜片上淀積多層薄膜,采用干法刻蝕技術將NiCr膜刻蝕成電阻橋。在流體壓力作用下,膜片變形使橋路電阻幾何尺寸和阻值發生改變,電橋輸出與壓力成比例的電信號。微電子工藝制作出的惠斯登電橋和膜片組成全金屬型敏感元件,由于無任何粘貼劑和活動部件,無密封腔和充油腔,因此具有以下特點。
1、正常工作條件下,不需作任何調整,零點輸出的長期穩定性優于±0.1%F.S/年;
2、無論是連續還是間斷通電,室溫下傳感器的零點漂移誤差優于±0.1%F.S;
3、傳感器的綜合精度(含非線性、重復性、滯后誤差)可達到0.05級、0.1級;
4、工作溫度范圍寬:常規產品-40℃~125℃,特殊產品-55℃~180℃;
5、可靠性高,平均無故障工作時間超過50000小時;
6、傳感器輸入阻抗高、功耗小、響應速度快;
7、耐濕、抗振動、抗沖擊、抗電磁與核輻射干擾;
8、彈性體和應變電阻材料都是金屬材料, 濺射工藝代替粘貼工藝, 消除了膠的影響,無蠕變、不老化、工作溫度范圍寬、溫度特性好;
9、體積小、重量輕,適合大批量組裝生產。
應用領域
軍事工業:武器及試驗系統、軍用衛星、運載火箭與發射地面支撐裝置、坦克及戰車發動機、航空發動機測試系統、艦艇、、航天器、航天飛行器飛行數據測試、彈道導彈、機載激光器壓力測量;
石化能源:油田鉆井、測井、錄井、試壓設備、油井測量儀器、近海深海石油開采平臺、天然氣、石油輸送管道、電廠、核電站、高溫地熱發電機;
高溫燃油與發動機制造:燃燒室壓力、燃油壓力控制系統、燃氣輪機和發動機測試、內燃機、壓縮機、試驗機、蒸汽等高溫高壓的壓力測量;
工程機械與液壓系統:高溫液壓系統、液壓機械、液壓泵站、壓鑄機、靜壓機等;
船舶交通:船舶制造、柴油機高壓共軌壓力測量、汽車壓力測量等;
科研與試驗:髙端設備配套、工程項目配套。
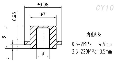
典型尺寸
技術參數
靈敏度及非線性
使用指南
1、嚴禁用手或其他物體接觸膜片表面(應變圖形),膜片表面的任何劃傷均會損壞膜片;
2、膜片電接點焊接后建議使用硅凝膠涂覆膜片表面以保護應變電橋;
3、膜片焊接后,應對傳感器組件進行機械穩定20次以上,壓力大小為量程的2倍;
4、建議對應變電阻進行電老化:供電電壓10~15VDC,+150℃ 12小時。
相關資料
1、CY10濺射膜壓力敏感元件外形尺寸CAD圖 請點擊下載。



